STILL IN TESTING- DO NOT USE
This will detail on how to work around the stock ecu needing to see the clutch either engaged or disengaged.
From my understanding in the FB chats the stock ECU (in this case an 09 E67) needs to "SEE" .8 volts to 1.3 volts when engaged (clutch pedal in), and it also needs to see 3.6 volts to 4.3 volts when disengaged (off the pedal). I put the parenthesis to distinguish which ways which.
So some KNOWN values.
-12 volts needed to change relay states
-5 pin relay
-LM7805
-5 VOLTS ( to make it easier on us)
So how this will work out in text form is that:
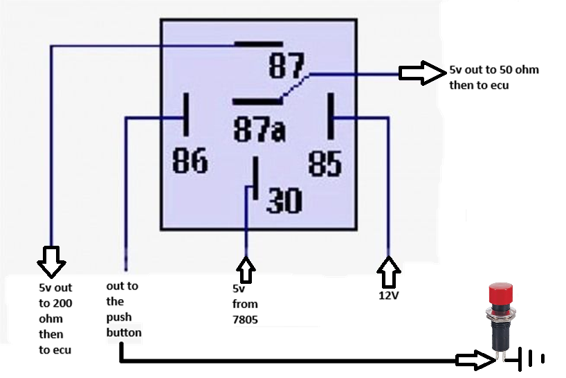
-12V goes to 85 or 86, dont matter which one, just know that if you choose 85, then pin 86 will go to the push button, or if you choose 86 to put 12v to, then pin 85 will go to push button.
-which ever push button you use, will take the ground side of the relay coil (not the 12v), and then out of the other side it will go to ground.
-Now, this is where the LM7805 comes in at. It has 3 legs as youll see in the image. It will take "IN" 7-35 volts. middle leg is Grounded. And the right leg will give you a steady 5 volts "OUT". This will make things so much easier to drop the voltage to whats needed for the ecu to see. So the same 12V that you fed the relay with will also just jump over (you can solder it to the relay pin if you feel like it) so that you feed the 7805 with 12v. Ground it! Then the 5 Volts out of the 7805 will go to PIN 30 on your 5 pin relay.
-pin 87A will then put out 5v, this will need to go though a small 50ohm resistor (to be adjusted later if determined current draw is different) and then to the ecu. After the resistor you should be seeing 4 ish volts.
-pin 87 will only become active when you push the pushbutton, which then grounds the relay and makes it change states. This is when pin 87 will have 5 volts on it. AND ONLY WHILE YOU ARE PUSHING THE PUSH BUTTON!. That 5 volts then goes to a 200 ohm resistor to drop down to 1 volt. this then goes to the ecu.
STOCK ECU CLUTCH BYPASS
OTHER ELECTRICAL RELATED FIELDS, PINOUTS, SENSORS, WIRES, ETC
- SSG Pohlman
- Site Admin
- Posts: 117
- Joined: Fri Jun 27, 2025 1:56 am
- Location: Terre Haute, IN
- Contact:
Jump to
- START HERE / INFORMATIVE / DONTATIONS
- ↳ WELCOME to the Vortec community!
- ↳ 4200 WIKI (EXACT COPY)
- ↳ FAQ'S / HOW TO / SPECS / TECH
- ↳ APPAREL TOO!?
- ↳ DONATIONS
- TECHNICAL Q&A FOR VORTEC ENGINES
- ↳ ATLAS 4200 LL8
- ↳ 4200 FILES
- ↳ Calvin's Corner (NIVLAC57)
- ↳ ATLAS 3700 LLR
- ↳ ATLAS 3500 L52
- ↳ ATLAS 2900 LLV
- ↳ ATLAS 2800 LK5
- ↳ N/A BUILDS
- BOOST!
- ↳ TURBO BUILDS
- ↳ TURBO DISCUSSIONS
- ECU'S & TUNES / ELECTRICAL
- ↳ ECU'S & TUNING DISCUSSIONS
- ↳ MAXX ECU
- ↳ MEGA/MICRO SQUIRT
- ↳ E67 STOCK ECU
- ↳ HOLLEY EFI
- ↳ P12 STOCK ECU
- ↳ P10 STOCK ECU
- ↳ HALTECH ECU
- ↳ ECU MASTER
- ↳ TUNE CABINET
- ↳ UPLOAD STANDARDS (READ BEFORE POSTING)
- ↳ MAXX ECU
- ↳ MEGA/MICRO SQUIRT
- ↳ E67 STOCK ECU
- ↳ HOLLEY EFI
- ↳ P12 STOCK ECU
- ↳ P10 STOCK ECU
- ↳ HALTECH ECU
- ↳ ECU MASTER
- ↳ ELECTRICAL
- ↳ DIAGRAM UPLOADS AND DOCUMENTS
- TRANSMISSIONS / REAR ENDS
- ↳ AUTOMATICS
- ↳ 4L60
- ↳ 6L80
- ↳ TH400
- ↳ TH350
- ↳ 8HP
- ↳ MANUALS
- ↳ AR5's
- ↳ T56
- ↳ NV3500
- ↳ AX15'S
- ↳ TKX
- ↳ CD009
- ↳ REAR AXLES
- ↳ Stock Rears
- ↳ Ford 8.8's
- VENDORS / SUPPORT
- ↳ VENDORS (alphabetical)
- ↳ ARTEC PERFORMANCE
- ↳ ATLAS INDUSTRIES
- ↳ BADLANDS INDUSTRIES
- ↳ DMZ
- ↳ EMTECH MOTORSPORTS
- ↳ FOREVER FABRICATION
- ↳ LIME-SWAP
- ↳ LunarOutlaw
- ↳ PACC RACING (NICLAC57)
- ↳ Performance Adapters
- ↳ SNAKE EATER PERFORMANCE
- ↳ STUTZ PERFORMANCE
- ↳ SQUID WORKS
- ↳ ATLAS SHOPS
- CAD / SCANS / FILES (150mb file limit)
- ↳ CAD DRAWINGS
- ↳ 3D SCANS / 3D PRINT FILES
- ↳ FILES
- RACING
- ↳ RACING Q&A
- ↳ EVENT CALENDAR
- ↳ VIRTUAL DRAGSTRIP
- ↳ ROAD RACING / AUTO X
- ↳ ATLAS RACE RESULTS ARCHIVE
- BUY / SELL / WANTED / FREE
- ↳ PARTS FOR SALE
- ↳ PARTS WANTED
- ↳ VEHICLE BUY / SELL
- ↳ FREE STUFF!
- OTHER
- ↳ OTHER BUILDS